Categories
- UVC Lamp
- Advanced UV
- American Ultraviolet
- Aqua Azul
- Aqua Pure
- Aqua Treatment Service (ATS)
- Aquafine
- Aquanetics
- Atlantic Ultraviolet
- BioLite / Cuno
- Filtrine
- First Light Technologies
- Fischer & Porter
- Foodline
- Glasco UV
- Water Disinfection UV Lamp
- Ideal Horizons
- IDI
- International Water Guard (IWG)
- Katadyn
- Master Water Conditioning
- Neptune
- Philips
- Pura UV
- PureFlow
- PurTest
- R-Can & Sterilight Systems
- Safe Water Technologies
- Siemens / Sunlight Systems
- Steril-Aire
- Triton
- Trojan Technologies
- Ultra Dynamics (UDC)
- UV Pure
- Water Master
- Wedeco
- SHIMADZU Liquid Chromatograph Deuterium Lamp
- UVB Lamp
- ORC UV Curing Lamp
- USHIO UV Lamp
- Philips Metal Halide Lamp
- EYE Metal Halide Lamp
- SEN UV Curing Lamp
- SUN Energy UV Curing Lamp
- Copy lights
- PRIMARC UV Lamp
- Voltarc UV Lamp
- WQP UV Lamp
- OSRAM UV Lamp
- TEIMER UV Lamp
- C SUN UV Lamp
- UVA Lamp
- Nail bulb
- Power Supply
- Trojan UV Ballast
- Photoscience uv ballast
- Aquafine UV Ballast
- Newland uv ballast
- Advanced uv ballast
- Preheat Type UV Ballast
- Quartz Product
- Aquafine Quartz Sleeve
- Trojan Quartz Sleeve
- Photoscience Quartz Sleeve
- Sterilight Quartz Sleeve
- Wedeco Quartz Sleeve
- Aqua Azul Quartz Sleeve
- Aqua-Pure Quartz Sleeve
- ATS-Aqua Treatment Service Quartz Sleeves
- Biolite Quartz Sleeves
- Filtrine Quartz Sleeves
- Glasco Quartz Sleeves
- Ideal Horizons Quartz Sleeves
- Master Water Conditioning Quartz Sleeves
- Pura Quartz Sleeves
- Pur Test Quartz Sleeves
- Demitec UV Water Disinfector Unit Quartz Sleeves
- Optional Dia. Quartz Tube
- Special Quartz Tube
- Quartz Rod/Fiber Rod/Quartz
- Quartz Boat/Quartz Bracket
- Quartz Plate/Tiles/Cold Tablets/Arc Tablets
- Quartz Instrument
- Quartz Crucible
- Quartz Flange/Bell/Square Cylinder
- Lab Glassware
- Quartz Door/Endoscopy
- Quartz Bottle/Diversion Bottle
- Quartz Beaker/Evaporating Dish/Evaporation Instrument
- Quartz Purification Instrument
- UV System
- Residential UV Sterilizer
- Water Purifier
- KING UV Sterilizer
- UV Immersion Lamp
Service
Can't find ?
what your are looking for?
Use the top Search form
Or Skype: alluvlamp
Info: uvlamp@hotmail.com

Preheat Type UV Ballast
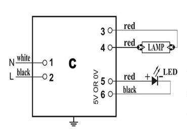
Location:Home >> Products>> Power Supply >> Preheat Type UV BallastUV ballast 40W, 120V
Preheat Start
Power: 40W
Input: 120V
Information
Technical specifications
Mains Frequency:50/60Hz
Power Factor:>0.55
Efficiency:>90%
Operating Frequency:40-70kHz
Starting: Instant
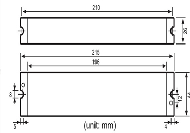
Dimensions:215*44*26mm
Input line length:430mm
Output line length:630mm
Signal line length:630mm
Type
|
Input Voltage(V)
|
Input Power(W)
|
Input Current(A)
|
Power Per Lamp(W)
|
Lamp Current(A)
|
Weight(kg)
|
PB1-425-2/40A
|
99-132
|
87
|
1.3A@120V
|
21-40
|
0.39-0.43
|
0.35
|
Ask for more details or customization, email: quartzmart@gmail.com